Yueqing Tongda Wire Electric Factoryn mikrokytkinsarjan vertailumallina Weipeng Electronic Component Lever -mikrokytkin sisältää "korkean herkkyyden, erittäin pitkän käyttöiän ja sopeutumiskyvyn useisiin skenaarioihin" tärkeimpinä etuinaan. Yhdistämällä yhtiön 35 vuoden kytkimien valmistusosaaminen, siitä on tullut keskeinen ohjauskomponentti kodinkoneissa, autoelektroniikassa, teollisuusautomaatiossa ja muilla aloilla minimaalisen kontaktivälin ja nopean toimintamekanismin ansiosta. Sen suorituskyvyn ja luotettavuuden ovat sertifioineet useat arvovaltaiset organisaatiot maailmanlaajuisesti, mikä varmistaa sen valtavirran markkinaraon.
Mikrokytkimen esittely
Tuote on saanut merkittävät maailmanlaajuiset turvallisuussertifikaatit, mukaan lukien UL, C-UL, ENEC, VDE, CE, CB, TUV, CQC ja KC, se on IEC 61058 -standardin mukainen ja täyttää markkinoille pääsyn vaatimukset sellaisilla alueilla kuin Euroopassa, Amerikassa ja Aasian ja Tyynenmeren alueella. Yhtiö on saavuttanut ISO9001- ja IATF 16949 -laatujärjestelmän sertifikaatit ja noudattaa tiukasti RoHS- ja REACH-ympäristödirektiivejä, mikä takaa hienostuneen valvonnan koko tuotantoprosessin ajan. Kuuden kansallisen keksintöpatentin ja 48 hyödyllisyysmallipatentin ansiosta HK-14-sarja saavuttaa alan johtavan luotettavuuden ja johdonmukaisuuden.
Asennus- ja käyttöohjeet
Asennuksen yhteydessä kytkin on asennettava tasaiselle alustalle ja kiinnitettävä tasaisella aluslevyllä tai jousialuslevyllä, jotta vältetään epätasaisten pintojen aiheuttamat toimintahäiriöt tai kotelon vauriot. Valitse mallit ympäristön perusteella: kosteissa tai pölyisissä olosuhteissa on suositeltavaa käyttää suljettua mukautettua versiota suojan parantamiseksi. Älä levitä voiteluöljyä painikkeeseen tai toimilaitteeseen kontaktien tarttumisen, toimintahäiriöiden tai jopa palamisen estämiseksi. Pidä tuote varastoinnin aikana kuivassa, tuuletetussa tilassa, suojattuna sateelta tai lumelta, ja vältä korkeita lämpötiloja ja kosteutta, jotka voivat aiheuttaa osien vanhenemista ja varmistaa tuotteen alkuperäisen suorituskyvyn säilymisen.
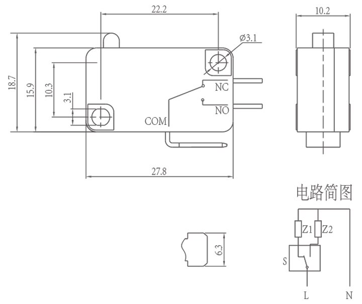
Mikrokytkimen parametri (erittely)
| Kytkimen tekniset ominaisuudet: | |||
| KOHDE | Tekninen parametri | Arvo | |
| 1 | Sähköluokitus | 5(2)A/10A/16(3)A/21(8)A 250VAC | |
| 2 | Kosketusvastus | ≤30mΩ Alkuarvo | |
| 3 | Eristysvastus | ≥100MΩ (500VDC) | |
| 4 |
Dielektrinen Jännite |
Välillä liittämättömät liittimet |
1000V/0,5mA/60S |
|
Terminaalien välissä ja metallirunko |
3000V/0,5mA/60S | ||
| 5 | Sähköinen käyttöikä | ≥50 000 sykliä | |
| 6 | Mekaaninen käyttöikä | ≥1000000 sykliä | |
| 7 | Käyttölämpötila | -25 ~ 125 ℃ | |
| 8 | Toimintataajuus |
sähkö: 15 jaksoa Mekaaninen: 60 jaksoa |
|
| 9 | Tärinänkestävä |
Tärinätaajuus: 10 ~ 55 HZ; Amplitudi: 1,5 mm; Kolme suuntaa: 1H |
|
| 10 |
Juotos kyky: Yli 80 % upotetusta osasta tulee peittää juotteella |
Juotoslämpötila: 235±5 ℃ Upotusaika: 2-3S |
|
| 11 | Juotoksen lämmönkestävyys |
Kastojuotto: 260±5℃ 5±1S Manuaalinen juottaminen: 300±5℃ 2~3S |
|
| 12 | Turvallisuushyväksynnät | UL, CSA, VDE, ENEC, TUV, CE, KC, CQC | |
| 13 | Testiolosuhteet |
Ympäristön lämpötila: 20±5 ℃ Suhteellinen kosteus: 65±5 %RH Ilmanpaine: 86 ~ 106 KPa |
|
Mikrokytkimen ominaisuus ja sovellus
Mikrokytkimen tiedot
