Pistokepylvästyyppi -painikkeen mikrokytkin autoosissa on pieni kosketusväli ja nopea toimintamekanismi. Kosketusmekanismi vaihtamalla vaikutusta määritettyyn iskuun ja voima peittää kuoren, ja ulkopuolelta on läpäisy, ja muoto on pieni.
Tuote Esittelyhuuhtelu
Push-to-push-mikrokytkimet ovat yleinen elektroninen komponentti, jota käytetään piirin ON- ja OFF-tilan ohjaamiseen. Se koostuu yleensä painikkeesta ja kytkimestä, joka muuttaa tilaa, kun painiketta painetaan.
Painikekytkimet voivat käyttää vilkkuvaa efektiä, kun painiketta painetaan, painike vilkkuu houkuttelemaan käyttäjän huomion.
Tuote Soveltaminenja eritelmä
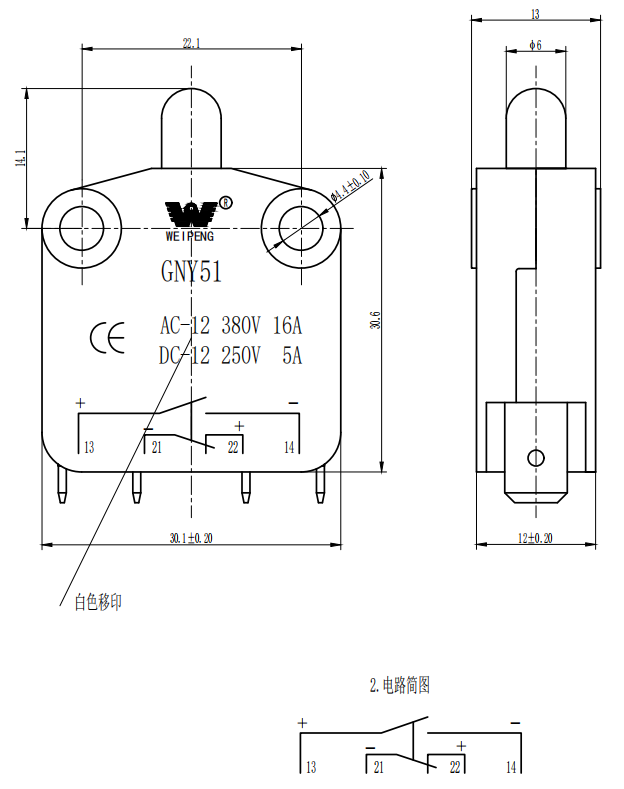
Plug -sarakkeen tyyppi -painiketta Mikrokytkimiä voidaan käyttää valon hallintaan, kun painiketta painetaan, valo kytkeytyy päälle tai pois päältä. Sitä voidaan käyttää myös sähkölaitteiden, ilmastointilaitteen jne. Kytkimen ohjaamiseen. Push -painikekytkimiä käytetään laajasti mekaanisten laitteiden käynnistymisen ja pysäyttämisen hallintaan. Olipa kyseessä kotitalous-, teollisuus-, auto- tai elektroniset laitteet, se on erottamaton tästä yksinkertaisesta ohjauskomponentista.
| Vaihda tekniset ominaisuudet: | |||
| Esine | Tekninen parametri | Arvo | |
| 1 | Sähköluokitus | 16a 250vac | |
| 2 | Kosketusvastus | ≤50MΩ Alkuarvo | |
| 3 | Eristyskestävyys | ≥100MΩ (500 VDC) | |
| 4 |
Dielektrinen Jännite |
Välillä kytkemättömät päätteet |
500 V/0,5 mA/60s |
| Terminaalien välillä ja metallirunko |
1500 V/0,5 mA/60s | ||
| 5 | Sähköelämä | ≥50000 syklit | |
| 6 | Mekaaninen elämä | ≥100000 sykliä | |
| 7 | Käyttölämpötila | -25 ~ 125 ℃ | |
| 8 | Toimintataajuus | Sähkö: 15 sykliä Mekaaninen: 60 sykliä |
|
| 9 | Värähtelytodistus | Tärinätaajuus: 10 ~ 55Hz; Amplitudi: 1,5 mm; Kolme suuntaa: 1H |
|
| 10 | Juotoskyky: Yli 80% upotetusta osasta on peitetty juoteilla |
Juotoslämpötila: 235 ± 5 ℃ Aika: 2 ~ 3s |
|
| 11 | Juotoslämmönkestävyys | DIP -juotos: 260 ± 5 ℃ 5 ± 1s Manuaalinen juotos: 300 ± 5 ℃ 2 ~ 3s |
|
| 12 | Turvallisuus hyväksynnät | UL 、 CSA 、 TUV 、 CQC 、 CE | |
| 13 | Koeolosuhteet | Ympäristön lämpötila: 20 ± 5 ℃ Suhteellinen kosteus: 65 ± 5%RH Ilmanpaine: 86 ~ 106 kPa |
|
Tuote Yksityiskohdat


